挡烟垂壁是人防高层民用建筑的地下与大空间排烟系统中作烟区分隔的装置。当消防控制中心发出火警信号或直接接受"烟感"信号后,置于吊顶上方的软质挡烟垂壁迅速垂落至设定高度,形成烟区分隔。由排烟风机将高温烟气排出室外,为火警区人救生和疏散创造了环境和争取了时间。
固定式:采用挡烟布式各种防火,挡烟材料制作固定在建筑顶棚下或屋梁下,垂壁高度500mm~800mm。
电动式:箱体采用0.8~1.2mm普通碳素钢板(或不锈钢板等材料)制作,帘布采用国内新材料,其质量达到英国BSD476标准,燃烧性能等级达到GB8624标准B1级,抗疲劳(升降)可达2000次以上;传动部件采用优质钢材;壳体为封闭形式。
工作原理:
可按一个单元或多个单元制作安装,控制机构装于墙面或柱面上,当发生火灾时,控制中心输出信号,使电机或执行机构启动,挡烟垂壁开始工作(也可用手动按钮控制或烟传感器控制),形成一带高500mm~800mm的挡烟垂壁,各单元徐徐上升直到恢复原位。展开、收回相关设备联动也可实现自动控制。
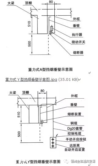
技术参数:
1 单元下垂或恢复原位时间不超过6s
2 电动机:电压AC380V,电流1.1A,功率≤0.18kw
3 单元长度:≤8米
4 垂壁高度:500(常用)~800mm
5 电器配线为600v耐热树脂导线或同性能的阻燃导线,绝缘电阻≥50M Ω
挡烟垂壁做法图:



安装验收标准
挡烟垂壁多用在大型商场和超市,是建筑防火规范规定的人流量密集区域的必备防烟装备,其安装验收可参考GB50300-2001《建筑工程施工质量验收统一标准》的分部"通风与空调"下的子分部"防排烟系统"相关规定。
挂式挡烟垂壁安装施工(某厂家推荐)
(一)放线定位
(1)挡烟垂壁定位轴线的测量放线必须与主体结构的主轴线平行或垂直,以免挡烟垂壁施工和室内装饰施工发生矛盾,造成阴阳角不方正和装饰面不平行等缺陷。
(2)要使用高精度的激光水准仪、经纬仪,配合用标准钢卷尺、重锤、水平尺等复核。以确保挡烟垂壁的垂直精度。要求上、下中心线偏差小于 1~2mm。
(二)上部吊杆安装
(1)注意检查丝杆和金属膨胀管的牢固,选用的丝杆和金属膨胀管质量要可靠,打孔位置不宜靠近钢筋混凝土构件的边缘,钻孔孔径和深度要符合金属膨胀管厂家的技术规定,孔内灰渣要清吹干净。
(2)每个丝杆安装位置和高度都应严格按照放线定位和设计图纸要求进行。主要的是丝杆的中心线必须与铝合金构件中心线相一致,并且椭圆螺孔中心要与设计的吊杆螺栓位置一致。
(3)所有丝杆安装完毕后,应进行隐蔽工程质量验收,请监理工程师验收签字,验收合格后再涂刷防锈漆。
(三)玻璃安装就位
1.玻璃吊装
玻璃的安装是一项十分细致、精确的整体组织施工。施工前要检查每个工位的人员到位,各种机具工具是否齐全正常,安全措施是否可靠。高空作业的工具和零件要有工具包和可靠放置,防止物件坠落伤人或击破玻璃。待一切检查完毕后方可吊装玻璃。
(1)再一次检查玻璃的质量,尤其要注意玻璃有无裂纹和崩边,吊夹铜片位置是否正确。用干布将玻璃的表面浮灰抹净,用记号笔标注玻璃的中心位置。
(2)安装电动吸盘机。电动吸盘机必须定位,左右对称,且略偏玻璃中心上方,使起吊后的玻璃不会左右偏斜,也不会发生转动。
(3)在玻璃适当位置安装手动吸盘、侧边保护胶套。玻璃上的手动吸盘可使在玻璃就位时,在不同高度工作的工人都能用手协助玻璃就位。
2.玻璃就位
(1)手工或电动将玻璃移近就位位置后,搬运工要听从指挥长的命令操作,使玻璃对准位置徐徐靠近。
(2)上层工人要把握好玻璃,防止玻璃在升降移位时碰撞吊顶。待下层各工位工人都能把握住手动吸盘后,可将拼缝一侧的保护胶套摘去。使用手动倒链将玻璃徐徐吊高,使玻璃上端略低出上部边框少许。此时,下部工人要及时将玻璃轻轻拉入槽口,并用木板隔挡,防止与相邻玻璃碰撞。另外,有工人用木板依靠玻璃下端,保证在倒链慢慢上放玻璃时,玻璃能被放入到上框槽口内,要避免玻璃上端与金属槽口磕碰。
(3)玻璃定位。安装好玻璃吊夹具,将玻璃的孔与铝合金的孔对牢并用对撬螺杆将玻璃和铝构件对穿固定。块玻璃就位后要检查玻璃侧边的垂直度,以后就位的玻璃只需检查与已就位好的玻璃上下缝隙是否相等,且符合设计要求。
(4)在一个洞口的玻璃挡烟垂壁的全部安装固定以后将搽干净的下封边的铝合金拿出在玻璃的下底边用玻璃胶封边
(五)注密封胶
(1)所有注胶部位的玻璃和金属表面都要用丙酮或专用清洁剂擦拭干净,不能用湿布和清水擦洗,注胶部位表面必须干燥。
(2)沿胶缝位置粘贴胶带纸带,防止硅胶污染玻璃。
(3)要安排受过训练的专业注胶工施工,注胶时应内外双方同时进行,注胶要匀速、匀厚,不夹气泡。
(4)注胶后用专用工具刮胶,使胶缝呈微凹曲面。
(5)注胶也不宜在低于 5的低温条件下进行,温度太低胶液会发生流淌、延缓固化时间,甚至会影响拉伸强度。严格遵照产品说明书要求施工。
(6)耐候硅酮嵌缝胶的施工厚度应介于 3 5mm-4 5mm之间,太薄的胶缝对保证密封质量。
(7)胶缝的宽度通过设计计算确定,小宽度为 1mm,常用宽度为 2mm。
(8)密封胶必须在产品有效期内使用,施工验收报告要有产品证明文件和记录。
(六)表面清洁和验收
(1)将玻璃内外表面清洗干净。
(2)再一次检查胶缝并进行必要的修补。
(3)整理施工记录和验收文件,积累经验和资料。
主要技术性能要求:外观
(1)挡烟垂壁的标牌应牢固,标识应清楚。
(2)挡烟垂壁金属零部件表面不允许有裂纹、压坑及明显的凹凸、锤痕、毛刺、孔洞等缺陷;其表面必须做防锈处理,涂层、镀层应均匀,不得有斑剥、流淌现象。
(3)卷帘式挡烟垂壁的挡烟部件不允许有撕裂、缺角、挖补、破洞、倾斜、跳线、断线、经纬纱密度明显不匀及色差等缺陷;其表面应平直、整洁、美观。
(4)各零部件的组装、拼接处不允许有错位。
材料及零部件
(1)挡烟垂壁所用的各种原材料必须符合相应国家标准或行业标准的规定。
(2)挡烟垂壁所用的电机及控制箱(含按钮盒)应是经国家检测机构检验合格的产品。
(3)挡烟垂壁挡烟部件在(200±15)℃、(25±5)Pa差压时的漏烟量应不大于25m/(m·h)。
(4)卷帘式挡烟垂壁挡烟部件若由两块或两块以上织物缝制时,其搭接宽度应不小于20mm。
(5)单节挡烟垂壁的宽度不能满足防烟分区要求时,可用多节垂壁以搭接的形式安装使用,且搭接宽度应满足:a)卷帘式挡烟垂壁应不小于100mm: b)翻板式挡烟垂壁应不小于20mm。
(6)挡烟垂壁边沿与建筑物结构表面应保持小距离,此距离不应大于20mm。
(7)卷帘式挡烟垂壁必须设置重量足够的底梁,以保证垂壁运行的顺利、平稳。
3)控制方式
(1)挡烟垂壁应与烟感探测器联动。当烟感探测器报警后,挡烟垂壁能自动下降至挡烟工作位置。
(2)挡烟垂壁接收到消防控制中心的控制信号后,应能下降至挡烟工作位置。
(3)系统断电时,挡烟垂壁能自动下降至挡烟工作位置。
4)运行性能
(1)卷帘式挡烟垂壁电动下降或机械下降的运行速度应≥0.07m/s。翻板式挡烟垂壁电动下降或机械下降的运行时间应<7s。
(2)挡烟垂壁应设置限位装置,当其运行至上、下限位时,能自动停止。
5)可靠性
(1)经1000次启闭操作后,挡烟垂壁应能正常运行。直径为(6±0.1)mm的探棒或长度为(15±0.1)mm、宽度为(24±0.1)mm的试块不能穿过挡烟垂壁的挡烟部件。
6)抗风摆性能
当挡烟垂壁承受(5±1)m/s风速时,其垂直偏角应不大于15°。
7)耐高温性能
挡烟垂壁在(620±20)℃温度下保持30min,其完整性不应破坏。
标签:挡烟垂壁,